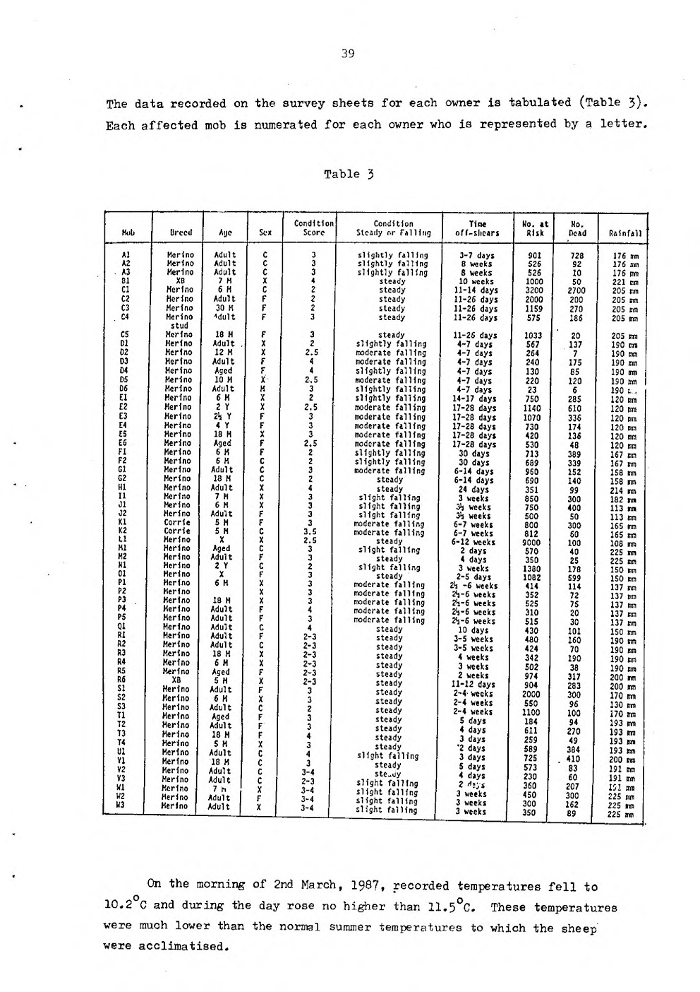
1987 Proceedings - 1987 Page 038
Previous
Index
Next
Back to Contents
Previous
Index
Next
Back to Contents